银烧结与半烧结技术全景指南:技术优势、挑战应对及功率器件封装选型逻辑
发布时间:2025/12/03 11:36

Introduction

 

宽禁带 (wide-band-gap, WBG)功率器件(例如 碳化硅及氮化镓),可以在高功率、高频率及高温度下运作,越来越多地用于许多电子应用,例如汽车、航空、3C消费电子以及太空发展等。为了保证WBG功率器件模块的高性能及可靠度,所有的封装组件都必需符合更严苛的热及电性要求。其中将功率器件贴片到金属化基板是功率模块封装的关键组件,提供高效率的散热途径以及增加高功率密度的内部连结。因其严重影响热、电性和可靠度性能,低温银烧结具有高热传导、优良电气特性及可靠度,符合此类功率器件的封装需求。

         

一般所使用环氧树脂添加银颗粒的导电胶,由于低导电性( 电阻率10-3~10-6 Ω·cm ),低热传系数(<10W/mK),适用于一般芯片封装使用。而锡铅合金(/)或三相合金(//铜合金)虽具有较高的热传导系数(~50W/mK)但由于长期特定工作温度使用下,其共金面会产生龟裂现象(intermetallic layer crack)而产生可靠度问题,同时因含有铅而造成人体健康及环境问题,此时新型无铅(lead-free)的取代材料如烧结银材料则引起相当的关注。

 

当材料粒子缩小至纳米等级时,一些特殊特性如熔点降低,表面能提升及扩散系数增加皆与原本的总体性质(bulk property)有显著的不同。因此烧结型纳米微粒被用来开发于新型低温无铅材料的连接方法,这些纳米粒子当中,银(Ag)因具有优越的导电、导热系数及超高工作温度而屏雀中选。现行中,低温银纳米粒子烧结被开发来当做半导体元件与金属基板的连结材料。透过原子的扩散及粉末粒子的合并,低粒径银烧结制程可用较低的制程温度(150~350)来达成.

 

/uploads/image/2025/12/03/1764733045000812/图片 1.png 

有机化合物吸附于银纳米粒子的表面来达到分散及稳定的作用,在烧结的过程中,需要加热至特定温度来移除所添加的有机化合物,烧结完成后的连接层(joint layer)表现出银的高熔点(960)及高导电高导热系数如同原金属总体状态。所以这些透过相对较低温(<350)烧结所产生的银纳米产物可以使用于低于此烧结(<350)温度的工作环境,而传统锡合金焊料在此温度下是无法达到的。

 

Sintering process  烧结制程

 

所谓烧结是指粉末在低于熔点下的特定温度所进行的热处程制程,其目的是用来增加粉末的机械强度并产生稳定的结构。整个烧结的生产过程如下图所示,制备好的粉未经过混合后经由粒径成型后进行高温处理,最后完成整个烧结结构。

 

/uploads/image/2025/12/03/1764733064654280/图片 2.png 

依照烧结的状态则可以分成固相烧结,液相烧结以及反应型烧结,本文着重于固相烧结,简述如下所说明.

固相烧结(Solid phase sintering):只存在固相的情况下粒子进行烧结;

液相烧结(Liquid phase sintering):在固相及液相下粒子进行烧结;

反应型烧结(Reactive phase sintering):同时存在不同相的状况下进行而反应产生另一相的烧结产物。

 

/uploads/image/2025/12/03/1764733079361515/图片 3.png 

Sintering theory 烧结原理

 

烧结发生的驱动力主要是透过质量传送降低内部界面能量,形成稳定的状态。这个界面可以是晶格的边界或是与空气的界面,由原子扩散方式进行质量传送来降低表面自由能,过程中产生晶格尺寸增大(grain growth)及结构致密化(Densification)。烧结过程可分为三个阶段(1)初始阶段;(2)中期阶段以及(3)最终阶段,这三个阶段并无明确的分界定义而阶段与阶段的间有所重叠。

 

(1)初始阶段(initial stage)

粉末粒子的间透过转动及移动来进行重新排列至稳定的位置而产生密度增加及体积收缩。在重新排列的过程中,粒子间的接触增加,由原子扩散方式促使的间的颈部连结与成长(neck growth)。当颈部直径(x)达到粒子直径(D)0.4~0.5,密度约为理论密度(TD)65%时达到初始阶段的烧结

 

/uploads/image/2025/12/03/1764733101708061/图片 4.png 

(2)中期阶段(intermediate stage)

当孔隙达到由表面和界面所决定的平衡的形状时,一般认为是中期阶段的开始,因此时的密度仍是低的状况,孔隙沿着晶粒边界呈现连续或是相互连接的情况。随着致密化持续进行,孔隙截面积因被截断而变小,达到90%理论密度时,此为中期阶段的结束。

 

图片 5.png 

(3)最终阶段(final stage)

孔隙缓慢缩小被隔离于晶粒角落或消失,烧结结构密度达到90%~99%的理论密度。

 

图片 6.png 

Sintering Process Parameter 烧结制程控制参数

 

银烧结主要的制程参数为(1)温度(temperature); (2)压力(pressure); (3)时间(Time),其说明如下

 

(1) 温度

烧结温度与粉末的粒径尺寸有着高度相关性,在使用纳米尺寸的粉未下,烧结温度有显著的下降,如一般银粒子的熔点为961℃,在此纳米尺寸下,烧结的温度仅需250℃以下即可得到高热传导及高导电系数的银烧结构。烧结温度如下列实验式所表示, Ts为烧结温度, Tm,p为材料熔点,α为几何及环境因子,较大粒子尺寸下α为0.5~0.8,在纳米尺寸时,α为0.1~0.3。——Ts = α*Tm,p

 

(2) 压力

在烧结过程中施加外部压力称为”压力辅助烧结制程”,而无施加外部压力下则称为”无压力辅助烧结制程”,在外部压力存在下烧结时,会有较高的原子扩散流通量(flux),同时粉末可能因物理作用下产生形变而增加接触表面积,晶格边界较容易或甚至不需克服扩散的活化能(activation energy of diffusion)。压力辅助烧结的优点为能够在较低温度下协助粗化较大粒径粉末的晶格,而缺点为在高压下容易对芯片产生物理性损伤。例如在10x10 mm2的芯片及纳米银粒子的烧结时,使用压力为40MPa,此时在制程上则需小心处理以避免损伤芯片。下图说明压力对烧结结构产生的影响。

 

/uploads/image/2025/12/03/1764733141422933/图片 7.png 

(3) 时间

烧结时间与粒径如下列关系式所表示,相对较小的粒径,其烧结完成所需的时间相对于缩短(表面能高),其中m为整数常数(2~4)r1r2为不同粒径。——(r1 / r2)m = t1 / t2

 

上述关系式同时意味着在相同烧结完成时间下,较小粒径材料烧结可允许降低烧结时间及压力。

    

总体烧结的驱动力(total driving force):包括外部压力以及曲率的贡献(粒径缩小从而降低粒子曲率半径)。如下图所示,当晶格尺寸小于20~30纳米,曲率对驱动力的影响开始大于压力的效应,而压力对不同尺寸的粒子晶格则维持相同的效应,在较大尺寸的粒子晶格下,压力则提供较大的驱动力。

 

 

/uploads/image/2025/12/03/1764733157752815/图片 8.png 

注:

1. 纳米银粉通常是指粒径介于1~100纳米的间,具有相当大的体积表面积及表面能量,可以在较低温下进行烧结。

2. 当粒子的有效半径因颗粒的聚集和聚合特性(“团聚” 现象),而超出纳米效应后,纳米银烧结的优势在此即不显现。

3.曲率是圆半径的倒数1/R(描述曲线偏离直线的程度),曲率半径=曲率的倒数。纳米颗粒粒径越小,曲率越大,曲率半径越小,其表面的原子化学势越高。

 

Nanopowder Sintering Challenges 纳米银粉烧结的挑战

 

纳米银粉烧结另一问题为在低温下存在非致密化扩散现象,沿晶粒边界的体积扩散或颈部区域的错位成长可使结构致密化(densification),在致密化扩散(densification diffusion)下,粉末粒子间中心至中心的长度是有所变化,非致密化扩散(non-densification diffusion)下则不受改变,如左下图所示。

 

/uploads/image/2025/12/03/1764733173494269/图片 9.png 

粉末粒子非细致密化扩散以及致密化扩散主要是由温度因子所控制的,如右上图所示,在相对低温范围内由表面扩散(surface diffusion)主控,此时并无产生致密结构。在此所使用纳米粉末具高体表面积及低温烧结状况下容易产生非致密化问题。为了降低此问题发生,可加速加温绕过低温区使得表    面扩散现象在短时间内无法充份进行。进入高温区晶粒边界及晶格扩散主导烧结的进行而产生致密的结构,孔隙率因而降低,而低温烧结容易产生较多孔隙的结构。

 

/uploads/image/2025/12/03/1764733206862978/图片 10.png 

Application Sintering vs Semi Sintering

 

Sintering Process (压力辅助烧结)

/uploads/image/2025/12/03/1764733225121644/图片 11.png 

Semi Sintering Process (无压力辅助烧结)

/uploads/image/2025/12/03/1764733242000662/图片 12.png 

Semi Sintering Process (ELT 高压烤箱压力辅助烧结)

/uploads/image/2025/12/03/1764733257646823/图片 13.png 

烧结主要的控制参数为温度、压力、烧结环境气体以及升温/降温速度,在适当的参数控制下,可以得到低孔隙率、高机械强度、高热传导系数及高导电系数, ELT实验结果如下图所示.

 

/uploads/image/2025/12/03/1764733274394597/图片 14.png 

/uploads/image/2025/12/03/1764733290087477/图片 15.png 

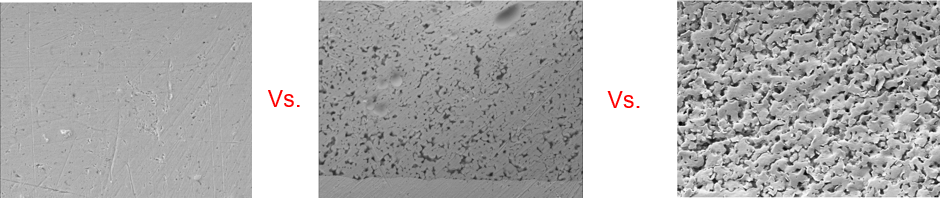
Application Sintering

 

Sintering vs Semi Sintering : 工艺制程

 

/uploads/image/2025/12/03/1764733307631197/图片 16.png 

Sintering vs Semi Sintering : 材料结构

 

/uploads/image/2025/12/03/1764733326811568/图片 17.png 

Sintering vs Semi Sintering : 设备差异

 

/uploads/image/2025/12/03/1764733342013842/图片 18.png 

Conclusion:

 

Sintering 提供卓越的热电性能和高可靠性,是高功率密度半导体器件的理想选择,但其对制程设备和成本的要求较高。

 

Semi Sintering 则是一种折衷方案,它在保持较高热电性能的同时,极大地提高了制程的便捷性和成本效益,并透过树脂增强了材料的机械韧性,使其成为许多应用中替代传统焊料的优选方案。纳米银粒子具有低温烧结特性,搭配ELT压力烤箱的使用,能得到低孔隙率及良好界面接着的烧结结构,同时亦降低芯片损伤的风险。

 

总体而言,烧结和半烧结制程各有其优势和适用范围。选择哪种制程主要取决于应用对性能、成本和制程复杂度的综合考虑。

分享:
推荐阅读
屹立芯创董事长魏小兵出席中国—马来西亚工商界午餐会
2024-07-02
探索半导体封装新天地:清华&南大学生走进屹立芯创开启创新研发之旅
2024-07-29
混合键合良率卡脖子?屹立芯创SRS:预键合与退火之间的关键一步
2026-04-27
从“界面导热”到“应力消除”,屹立芯创携全栈方案亮相SEMICON China 2026
2026-04-01
破“泡”立“芯”,马跃新程——屹立芯创七发“重器”,赋能“中国芯”
2026-03-12
乘马势 逐芯光 | 一键三连我们的2025:压力,挺住;精微,拿捏;未来,稳了!
2026-01-30
CoWoS封装技术全面解析:架构、演进与AI时代的基石作用
2026-01-21
封测行业迎涨价扩产潮 先进封装技术瓶颈亟待突破
2026-01-15
晶圆级封装(WLP):微型化背后的除泡攻坚
2026-01-09
AI芯片算力翻10倍的秘密:先进封装如何改写“算力规则”?
2025-12-26
专注,铸就卓越!屹立芯创荣登省级“专精特新”榜单
2025-12-17
CoWoS、3D IC、Chiplet混战:先进封装的“技术路线之争“到底在争什么?
2025-12-10
半导体先进封装除泡工艺选型指南:真空压力vs热压除泡机核心差异与应用场景全解析
2025-12-04
AI芯片驱动下,后道测试与先进封装设备需求迎来爆发(下)
2025-11-26
AI芯片驱动下,后道测试与先进封装设备需求迎来爆发(中)
2025-11-25
AI芯片驱动下,后道测试与先进封装设备需求迎来爆发(上)
2025-11-21
SAW滤波器封装演进史:屹立芯创除泡+真空贴压膜技术赋能跨代工艺
2025-11-07
CSPT 2025圆满落幕 | 屹立芯创以“除泡”硬实力,赋能AI时代先进封装
2025-10-30
屹立芯创SRS:突破混合键合翘曲与应力瓶颈
2025-10-22
屹立芯创诚邀您共赴CSPT 2025:共探AI算力时代先进封装气泡破局之道
2025-10-17
屹立芯创真空压力除泡系统交付OSAT巨头,国产高端装备再破壁垒
2025-10-14
为中国芯造“屹立”器!屹立芯创除泡系统成功交付
2025-09-24
“堆”出万亿算力:先进封装如何驱动AI算力爆发
2025-09-18
屹立芯创先进封装贴压膜系统落地深圳大学,推动产学研协同发展
2025-09-11
决胜微米之间:DAF胶膜真空除泡方案
2025-08-27
DAF胶膜(Die Attach Film)详解
2025-08-20
屹立芯创交付晶圆级真空贴压膜系统:国产高端装备助力先进封装良率跃升
2025-08-05
半导体传统封装与先进封装的对比与发展
2025-07-30
Chiplet与3D封装技术:后摩尔时代的芯片革命与屹立芯创的良率保障
2025-07-29
NCF贴压膜工艺:先进封装的核心技术解析
2025-07-24
屹立芯创半导体除泡技术:提升先进封装良率的关键解决方案
2025-07-23
里程碑!屹立芯创除泡系统落地马来槟城,深耕 IoT 与先进封装
2025-07-15
混合键合(Hybrid Bonding)工艺介绍
2025-07-10
除泡机压力多少最好?屹立芯创真空除泡机的解决方案
2025-07-07
安全生产月 | 屹立芯创技术赋能 “零泡” 安全
2025-07-04
屹立芯创2025 SEMICON China圆满收官:创新方案获瞩目,创新赋能封装技术
2025-03-28
新年首发,全自动除泡系统开辟国内头部新能源汽车企业
2025-01-06
正式交付!首批国内头部客户2.5D/3D应用设备今日交付!
2024-12-06
展会动态 | 2024CSPT封测年会,融合创新,协同发展
2024-09-24
深化合作,共谋发展——马来西亚FANCO PRECISION领导一行到访屹立芯创,共商合作机遇
2024-07-10
如何解决IGBT模块内部空洞、分层等间隙类缺陷?真空压力除泡系统给出先进封装除泡整体解决方案
2024-07-10
一键解决芯片键合封装难题!
2024-05-17
多芯片堆叠封装工艺, 屹立芯创有绝招!
2024-04-24
一键解决芯片键合封装难题!
2024-04-18
屹立芯创 | 散热铟片除泡解决方案再升级
2024-04-16
多芯片堆叠封装工艺, 屹立芯创有绝招!
2024-04-16
因聚而生 共赴未来 | 屹立芯创受邀参加2024九峰山论坛暨化合物半导体产业博览会
2024-04-11
聚焦先进封装工艺,屹立芯创秀出IGBT行业设备解决方案!
2024-04-10
为什么SiC模块未来将由灌胶模块转为塑封模块
2024-04-03
屹立芯创蝉联SEMI产品创新奖,除泡品类开创者再获殊荣
2024-04-02
屹立芯创三月大事记
2024-04-02
深耕除泡领域20年,屹立芯创登陆SEMICON CHINA,带来国产除泡芯方案
2024-03-20
底部填充胶可靠性有哪些检测要求
2024-03-19
SEMICON China 2024 | 倒计时最后一天,屹立芯创邀您共话半导体芯未来
2024-03-19
预约参展 | 屹立芯创与您相约SEMICON CHINA 2024上海展会
2024-03-19
“探讨科技前沿,共话创新未来”屹立芯创交流会圆满结束
2024-03-14
屹立芯创再获殊荣:2023年度发展共赢企业!
2024-02-23
Underfill气泡解决方案-屹立芯创高温真空压力除泡系统
2024-01-18
环氧树脂基底部填充电子封装胶的三大主要问题
2024-01-16
倒装芯片为什么要使用底部填充胶?
2024-01-11
TOP 10! 屹立芯创跻身2023半导体设备新锐企业榜单
2024-01-11
【干货】underfill底部填充胶空洞的原因、检测及分析
2024-01-11
除泡机漏气怎么办?屹立芯创真空除泡机解决您的烦恼!
2023-09-01
3D DRAM,还能这样玩!
2023-08-30
屹立芯创受邀参加第七届中国系统级封装大会,核心技术助力先进封装制程发展
2023-08-24
先进封装 | SiP封装技术之TSV封装失效分析
2023-08-22
屹立芯创与上海交大智研院共建半导体先进封装联合实验室正式落成
2023-07-14
如何去除环氧胶中的气泡?
2023-07-14
屹立芯创携除泡品类正式亮相SEMICON CHINA,卓越国产设备荣获SEMI产品创新等奖项
2023-07-11
SEMICION CHINA | 屹立芯创实力出场,带来除泡品类整体解决方案
2023-07-03
先进封装之面板芯片级封装(PLCSP)简介
2023-06-21
走进华润微电子|屹立芯创参加中半协封测分会与华润微电子对接交流会
2023-06-14
屹立芯创「产学研」深度品牌项目 | “芯火力量”走进深圳大学
2023-06-09
IGBT焊接层空洞的形成及解决方案
2023-06-06
长三角第三代半导体产业知识产权联盟大会召开!屹立芯创成为首届成员企业与技术专家受聘企业
2023-05-11
屹立芯创「产学研」深度品牌项目 | “芯火力量”走进清华大学
2023-05-10
OCA贴合后总是出现气泡问题?请查收这份全贴合气泡分析和经验总结
2023-04-25
半导体减少空洞、提升良率的新方法
2023-04-18
半导体封装制程中的铟片工艺
2023-01-12
返回列表
业务咨询
扫码咨询
联系我们
返回顶部